Trong ngành công nghiệp, việc lựa chọn máy bơm sơn phù hợp đóng vai trò quan trọng để đảm bảo hiệu quả sản xuất, tiết kiệm chi phí. Bài viết này sẽ hướng dẫn chi tiết từ đặc tính sơn, các loại sơn, đến cách lựa chọn bơm sơn công nghiệp tối ưu.
Mục lục
- Sơn là gì? Đặc tính của sơn công nghiệp
- Các loại sơn phổ biến trong công nghiệp
- Bơm sơn trong công nghiệp là gì?
- Bơm sơn công nghiệp thường dùng trong lĩnh vực nào?
- Các loại bơm sơn công nghiệp phổ biến
- So sánh các loại máy bơm sơn
- Phân biệt bơm sơn công nghiệp và súng phun sơn thông thường
- Ứng dụng bơm sơn trong từng ngành công nghiệp cụ thể
- Bơm sơn công nghiệp chọn bơm màng khí nén hiệu quả cao nhất
- Cấu tạo của bơm màng khí nén dùng bơm sơn
- Nguyên lý hoạt động của bơm màng khí nén
- Đặc điểm nổi bật của bơm màng khí nén dùng bơm sơn
- Vimex – Máy bơm màng chính hãng, giá tốt
Sơn là gì? Đặc tính của sơn công nghiệp
Sơn là chất lỏng hoặc hỗn hợp chứa nhựa, dung môi, chất tạo màng, chất tạo màu và các phụ gia khác, được sử dụng để tạo lớp phủ bảo vệ hoặc trang trí bề mặt vật liệu.
Các đặc tính quan trọng của sơn trong công nghiệp bao gồm:
- Độ nhớt: Xác định khả năng chảy và phun của sơn.
- Độ bám dính: Giúp sơn bám chắc trên bề mặt.
- Kháng hóa chất: Sơn chống ăn mòn, chịu dung môi, nhiệt độ cao.
- Độ mịn và đều: Ảnh hưởng trực tiếp đến chất lượng lớp phủ.

Sơn công nghiệp
Các loại sơn phổ biến trong công nghiệp
- Sơn nước (Water-based paint):
- An toàn, ít mùi, dễ vệ sinh.
- Dùng cho tường, nội thất, sản phẩm gỗ nhẹ.
- Sơn dung môi (Solvent-based paint):
- Khô nhanh, bám tốt trên kim loại, nhựa, gỗ.
- Phù hợp cho sản xuất ô tô, máy móc, thiết bị công nghiệp.
- Sơn epoxy:
- Kháng hóa chất, chống ăn mòn cực tốt.
- Dùng trong ngành hóa chất, bồn chứa, sàn nhà xưởng.
- Sơn polyurethane (PU):
- Bền bỉ, chống xước, chịu nhiệt.
- Ứng dụng trong nội thất cao cấp, ô tô, tàu thuyền.
- Sơn tĩnh điện:
- Phun khô, ít dung môi, tiết kiệm sơn và an toàn môi trường.
- Thường dùng cho linh kiện điện tử, kim loại chế tạo.

Hình ảnh các loại sơn
Bơm sơn trong công nghiệp là gì?
Bơm sơn công nghiệp là thiết bị dùng để vận chuyển sơn từ thùng chứa đến súng phun, bồn trộn hoặc dây chuyền sản xuất. Máy bơm giúp:
- Duy trì áp suất ổn định, lưu lượng liên tục.
- Phun sơn đồng đều, chất lượng lớp phủ cao.
- Tiết kiệm công sức, thời gian so với đổ sơn thủ công.
Bơm sơn công nghiệp thường dùng trong lĩnh vực nào?
Máy bơm sơn được ứng dụng rộng rãi trong:
- Ngành gỗ: Sơn tủ, bàn ghế, cửa.
- Ngành kim loại: Sơn ô tô, máy móc, khung kết cấu.
- Ngành hóa chất: Sơn epoxy, PU cho bồn chứa, đường ống.
- Ngành sản xuất sơn: Vận chuyển sơn từ thùng lớn đến trộn hoặc chiết rót.
Các loại bơm sơn công nghiệp phổ biến
Bơm màng khí nén (Diaphragm pump):
-
- Hút và đẩy sơn đặc, có hạt hoặc dung môi hóa chất.
- Không dùng điện tại đầu bơm → an toàn trong môi trường dễ cháy.
- Lưu lượng ổn định, dễ bảo trì, màng và van thay thế đơn giản.

Bơm màng khí nén
Bơm piston (Piston pump):
-
- Áp lực cao, phun được sơn nhớt và chất lỏng đặc.
- Thường dùng trong dây chuyền sản xuất lớn.
- Cấu tạo phức tạp, bảo trì khó hơn bơm màng.

Bơm piston
Bơm tay (Manual pump):
-
- Phù hợp lượng sơn nhỏ, di động.
- Tốn công, không liên tục, không hiệu quả cho sản xuất công nghiệp.

Bơm tay
Súng phun sơn trực tiếp (Air Spray Gun):
-
- Dùng để phun lớp phủ lên bề mặt.
- Nếu không có bơm hỗ trợ, cần đổ sơn thủ công vào cốc → gián đoạn công việc.

Súng phun sơn
So sánh các loại máy bơm sơn
| Tiêu chí | Bơm màng khí nén | Bơm piston | Bơm tay | Súng phun |
| Khả năng vận chuyển sơn | Sơn đặc, nhiều hạt, lưu lượng liên tục | Sơn đặc, áp lực cao | Lượng nhỏ, di động | Không vận chuyển từ thùng lớn |
| An toàn | Không dùng điện tại đầu bơm, chống cháy nổ | Phụ thuộc nguồn điện | An toàn cơ học | Nếu dùng điện → có nguy cơ tia lửa |
| Liên tục & tiết kiệm lao động | Có | Có nhưng cần giám sát | Không | Gián đoạn nếu không có bơm |
| Bảo trì & chi phí | Thấp, dễ thay màng | Khó hơn, linh kiện đắt | Thấp, nhưng tốn nhân công | Cần vệ sinh thường xuyên |
| Ứng dụng | Dây chuyền, trộn, súng phun | Sản xuất lớn, sơn đặc | Sơn thử nghiệm, di động | Phun lớp phủ trực tiếp |
Phân biệt bơm sơn công nghiệp và súng phun sơn thông thường
Nhiều khách hàng thường nhầm lẫn giữa bơm sơn công nghiệp dùng trong dây chuyền sản xuất và súng phun sơn dùng trực tiếp lên bề mặt.
- Súng phun sơn:
- Thường dùng trong phun lớp phủ trực tiếp lên tường, kim loại, nhựa, hoặc bề mặt sản phẩm nhỏ.
- Ví dụ: trong ngành xi mạ, sơn vật liệu kim loại, nhựa, nội thất, súng phun sơn giúp tạo lớp phủ mịn, đều.
- Không vận chuyển sơn từ thùng lớn, nếu không có bơm hỗ trợ thì phải đổ sơn thủ công vào cốc súng → gián đoạn công việc.
- Bơm sơn công nghiệp (máy bơm màng, piston,…):
- Dùng để vận chuyển sơn từ thùng chứa đến súng phun, bồn trộn hoặc dây chuyền sản xuất.
- Duy trì áp lực ổn định, lưu lượng liên tục, đảm bảo chất lượng lớp sơn đồng đều.
- Phù hợp với sản xuất sơn, dây chuyền lắp ráp ô tô, gỗ, kim loại, nhựa, hóa chất.

Bơm sơn công nghiệp
Ứng dụng bơm sơn trong từng ngành công nghiệp cụ thể
Máy bơm sơn trong công nghiệp được dùng trong nhiều lĩnh vực sản xuất, ví dụ:
- Ngành gỗ:
- Vận chuyển sơn nước hoặc sơn PU vào bồn trộn và súng phun tự động.
- Sơn tủ, bàn ghế, cửa, ván ép công nghiệp.
- Ngành kim loại & ô tô:
- Cung cấp sơn epoxy, sơn PU, sơn dung môi cho dây chuyền phun tự động.
- Sơn khung kết cấu, linh kiện, xe máy, ô tô.
- Ngành nhựa:
- Vận chuyển sơn lên sản phẩm nhựa, linh kiện nội thất, thiết bị điện tử.
- Ngành hóa chất:
- Bơm sơn epoxy, sơn chống ăn mòn cho bồn chứa, đường ống, thiết bị nhà máy.
- Sản xuất sơn:
- Vận chuyển sơn từ thùng lớn sang trộn, chiết rót, đóng gói.
Bơm sơn công nghiệp chọn bơm màng khí nén hiệu quả cao nhất
Trong sản xuất sơn công nghiệp, bơm màng khí nén là giải pháp tối ưu nhờ:
- Vận chuyển được mọi loại sơn, từ lỏng đến đặc.
- An toàn, không dùng điện tại đầu bơm, chống cháy nổ.
- Duy trì lưu lượng liên tục, tiết kiệm nhân công.
- Dễ bảo trì, linh kiện thay thế có sẵn, chi phí hợp lý.
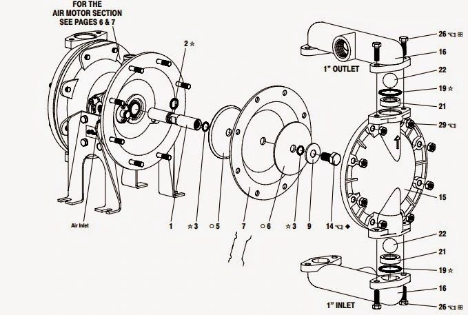
Cấu tạo của bơm màng khí nén dùng bơm sơn
Bơm màng khí nén (diaphragm pump) là loại bơm không dùng điện tại đầu bơm, rất phù hợp cho môi trường dễ cháy nổ như sơn công nghiệp. Cấu tạo chính bao gồm:
- Thân bơm (Pump body):
- Thường làm bằng nhôm, thép không gỉ hoặc nhựa chịu hóa chất.
- Chịu ăn mòn từ dung môi sơn, đảm bảo độ bền cao.
- Màng bơm (Diaphragm):
- Làm từ teflon, cao su hoặc vật liệu chịu hóa chất khác.
- Chuyển động qua lại để hút và đẩy sơn.
- Buồng khí (Air chamber):
- Nơi khí nén từ máy nén được dẫn vào để tác động lên màng bơm.
- Điều khiển áp lực và tần số đẩy sơn.
- Van một chiều (Check valves):
- Điều hướng dòng sơn theo một chiều từ thùng chứa đến súng phun hoặc bồn trộn.
- Ngăn không cho sơn chảy ngược.
- Van điều áp & phụ kiện đi kèm:
- Van điều áp: Giữ áp lực ổn định khi phun.
- Van chia sơn / bình tích áp: Duy trì lưu lượng liên tục, tránh giật dòng sơn.
⇒ Tìm hiểu chi tiết cấu tạo máy bơm màng khí nén

Cấu tạo của bơm màng khí nén
Nguyên lý hoạt động của bơm màng khí nén
Bơm màng khí nén hoạt động dựa trên nguyên lý hút – đẩy nhờ chuyển động màng và khí nén:
- Hút sơn:
- Khi màng bơm di chuyển ra ngoài, tạo chân không trong buồng bơm.
- Sơn từ thùng chứa được hút vào buồng qua van một chiều.
- Đẩy sơn:
- Khi màng bơm được khí nén đẩy vào, buồng bơm hẹp lại.
- Sơn bị đẩy ra ngoài qua van một chiều đến súng phun hoặc bồn trộn.
- Lặp lại liên tục:
- Hai màng bơm thường làm việc song song → dòng sơn liên tục, không gián đoạn.
Máy Bơm Màng Khí Nén Hoạt Động Như Thế Nào?
Đặc điểm nổi bật của bơm màng khí nén dùng bơm sơn
- An toàn cao: Không dùng điện tại đầu bơm, thích hợp môi trường dễ cháy nổ.
- Vận chuyển đa dạng chất lỏng: Sơn nước, sơn dung môi, sơn đặc, sơn có hạt.
- Lưu lượng ổn định, liên tục: Giúp lớp sơn phủ đồng đều, giảm giật dòng.
- Dễ bảo trì, chi phí thấp: Màng, van và các linh kiện dễ thay thế.
- Linh hoạt: Có thể kết hợp với van chia sơn, bình tích áp, súng phun tự động.
- Tuổi thọ cao: Vật liệu thân và màng chịu hóa chất, chống mài mòn tốt.
Bơm sơn, bơm dung môi sơn an toàn tuyệt đối trong PCCC chọn bơm nào
Vimex – Máy bơm màng chính hãng, giá tốt
Công ty TNHH Vimex cung cấp máy bơm màng chuyên dụng cho sơn, đảm bảo:
- Hàng chính hãng, chất lượng cao, phù hợp mọi loại sơn công nghiệp.
- Giá tốt, sẵn hàng số lượng lớn.
- Bảo hành chính hãng, linh kiện thay thế đầy đủ.
Nếu bạn đang tìm máy bơm sơn hiệu quả, an toàn và bền bỉ, bơm màng khí nén 10, bơm màng khí nén GODO, bơm màng khí nén Husky, bơm màng khí nén TDS được phân phối chính hãng bởi Vimex là lựa chọn hàng đầu cho mọi dây chuyền sản xuất.
Liên hệ ngay để chúng tôi cung cấp cho bạn giải pháp tốt nhất theo lưu lượng và nhu cầu cụ thể. Xin cảm ơn!



































